课程名称 | 机械产品的数字化设计 | 授课对象 | 19数控331 | 授课教师 | 潘安霞 |
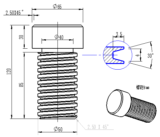
授课内容 | 螺杆的数字化设计 | 学时 | 4 | ||
课程类型 | £.思想政治理论课; £.通识课;R.专业课; £.实践课 | ||||
教学目标 | 知识目标:螺旋线/涡状线、扫描特征 技能目标:1.掌握使用3D螺旋线创建扫描路径的方法 2.具有使用方程式进行参数化设计的能力 素质目标:精益求精的工匠精神、团队合作精神 | ||||
教学实施 | |||||
教学引入 | 外表面切有螺旋槽的圆柱或者切有锥面螺旋槽的圆锥。。引出本次课的教学任务——螺杆的设计。(5分钟)。 | ||||
教学展开 | 1.通过案例讲解知识点(45分钟) 会使用螺旋线/涡状线、扫描特征
教师示范螺杆的设计过程
员工利用20分钟时间完成螺杆的设计 教师点评:针对员工设计过程中扫描特征、螺旋线的设计,结合自己工厂实践的经历,再次强调设计过程中要有严谨的科学态度,容不得半点马虎。 5.员工自主创新设计并展示(40分钟) | ||||
教学总结 | 根据员工提交作品,对员工的知识掌握程度和技能目标达成进行总结。 | ||||
目标达成检测 | 1.100%员工意识到设计过程中慢慢熟练扫描特征、螺旋线的应用。在后期的自主创新产品设计中,90%以上的员工在遇到扫描特征的设计时,能够合理地设计。
| ||||
教学反思 | 员工关注了“直观学机械”公众号后,对机械的兴趣提升了很多,提问的员工明显增多。今后要引导员工合理科学的使用网络资源进行泛在式学习。 授课教师 潘安霞 | ||||


