课程名称 | 机械产品的数字化设计 | 授课对象 | 19数控331 | 授课教师 | |
授课内容 | 支架的数字化设计 | 学时 | 4 | ||
课程类型 | £.思想政治理论课; £.通识课;R.专业课; £.实践课 | ||||
教学目标 | 知识目标:参考几何体、特征镜像 技能目标:1.掌握基准面的创建、镜向特征、放样凸台/基体的操作方法 2.形成设计意图,具有使用各种特征进行参数化设计的能力 素质目标:学习大国工匠执着、创新的工匠精神,树立良好职业道德 | ||||
教学实施 | |||||
教学引入 | 通过为中国的航天事业做出了贡献的董飞的采访视频,他经过反复,在平凡的岗位上努力创新创造出新型刀具,破解了断刀、啃伤等难题。引导员工学习大国工匠执着、创新的工匠精神,树立良好职业道德,引出本次课的教学任务——支架。(5分钟)。 | ||||
教学展开 | 1.通过案例讲解知识点(35分钟) 学习参考几何体的创建、特征镜像的使用方法
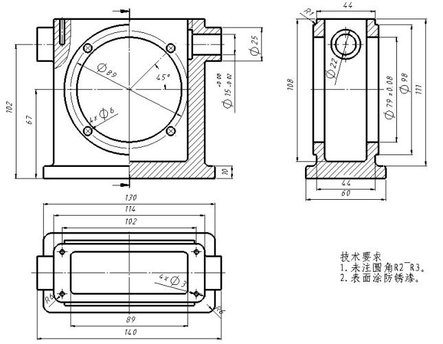
教师示范支架的设计过程
员工利用40分钟时间完成滤清器管座的设计 教师点评:针对员工设计过程中镜像操作无法实现的问题,结合现场经验,再次强调我们要向大国工匠董飞学习“精准加工 不差丝毫”精益求精的工匠精神。融入工匠精神。 5.员工自主创新设计并展示(40分钟) | ||||
教学总结 | 根据员工提交作品,对员工的知识掌握程度和技能目标达成进行总结,再次强调作为一名合格的设计师,在设计产品时,要一丝不苟、努力创新的意识。 | ||||
目标达成检测 | 1.100%员工意识到设计过程中一丝不苟的重要性,镜像特征的使用。在后期的自主创新产品设计中,90%以上的员工在遇到对称型零件的设计时,能够合理地使用镜像特征。
| ||||
教学反思 | 项目完成后,员工对模仿练习掌握的很好, 但是自主建模练习题的产品,由于结构的复杂程度提高,明显在读图方面有些吃力,特征的灵活应用有所欠缺,需要通过校企合作,带员工去企业参观,了解产品的制造过程,进行产品设计。 授课教师 潘安霞 | ||||


