课程名称 | 机械产品的数字化设计 | 授课对象 | 19数控331 | 授课教师 | 潘安霞 |
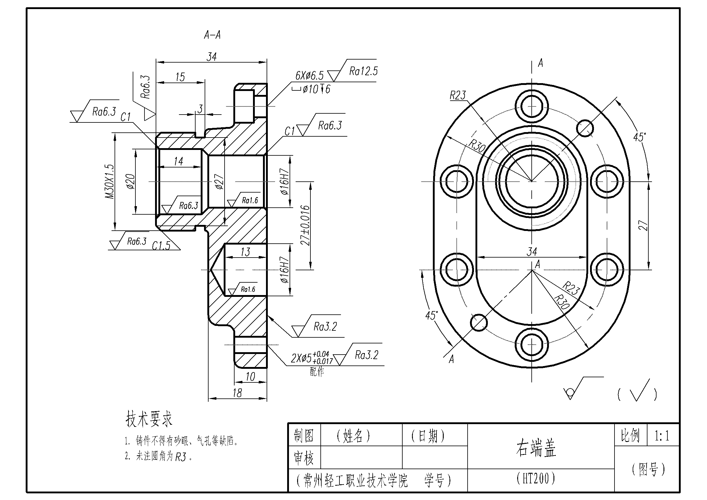
授课内容 | 铣刀头座体的工程图生成 | 学时 | 4 | ||
课程类型 | £.思想政治理论课; £.通识课;R.专业课; £.实践课 | ||||
教学目标 | 知识目标:标准三视图、断开的剖面视图、剖面视图、局部视图、尺寸标注 技能目标:1.具有使用三维模型生成工程图的能力 素质目标:严格参照标准,养成大局意识、规矩意识 | ||||
教学实施 | |||||
教学引入 | 工程图是一种工程技术语言,语言要规范,零件的表达方案合理,按照《技术制图国家标准》要求,设置尺寸样式、文字样式等,正确选择使用粗实线、细实线、点画线、虚线等图线格式,养成一丝不苟的工作作风,确保工程图作为工程技术语言达到技术交流的效果。引出本次课的教学任务——铣刀头座体的工程图生成。(5分钟)。 | ||||
教学展开 | 1.通过案例讲解知识点(35分钟) 学习标准三视图、断开的剖面视图、剖面视图、局部视图、尺寸标注等知识点
教师示范铣刀头座体的工程图生成过程
员工利用50分钟时间完成铣刀头座体的工程图生成 教师点评:针对某些员工工程图生成中,尺寸标注没有按照国家标准的问题,结合现场经验,再次强调我们要注重参照国家制图标准。鼓励员工在工程图生成过程中要有规矩意识、大局意识、标准意识。 5.员工自主创新设计并展示(40分钟) | ||||
教学总结 | 根据员工提交作品,对员工的知识掌握程度和技能目标达成进行总结,再次强调作为一名合格的设计师,在设计产品尤其生成工程图时,一定要有标准意识。 | ||||
目标达成检测 | 1.100%员工意识到设计过程中标准意识的重要性。在后期的自主创新产品设计中,90%以上的员工在遇到由零件生成工程图时,能够合理地使用工程图中标准三视图、断开的剖面视图、剖面视图、局部视图、尺寸标注命令。
| ||||
教学反思 | 工程图的生成,员工在表达方案上常常有丢三拉四的现象,并且在尺寸标注时出现标注不清晰的问题,为了能够使得工程图发挥工程技术语言的功能,课堂上适当补充机械制图的表达。 | ||||


